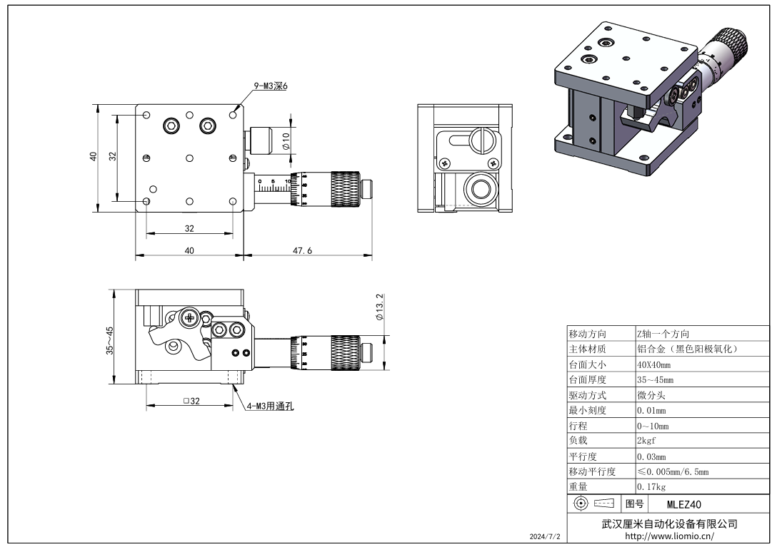
【产品说明】
1、材质:全系列均为铝合金黑色阳极。
2、行程:所有型号行程统一为 10 mm。
3、厚度:提供不同厚度版本(如 MLEZ60/MLEZ60L),厚度范围随台面尺寸略有增加。
4、精度:移动平行度统一为 ≤0.01 mm,平行度分为两档:小台面(≤90 型)为 0.05 mm,最大台面(125 型)为 0.1 mm。
5、负载与重量:随台面尺寸增大,负载和重量同步提升。
【产品参数】
|
型号 |
材质 |
台面大小 |
行程 |
厚度 |
平行度 |
移动平行度 |
负载 |
重量 |
|
MLEZ40 |
铝合金黑色阳极 |
40 × 40 |
10 |
35 ~ 45 |
0.05 |
≤0.01 |
2 |
0.17 |
|
MLEZ60 |
60 × 60 |
3 |
0.27 |
|||||
|
MLEZ60L |
42 ~ 52 |
6 |
0.39 |
|||||
|
MLEZ80 |
80 × 80 |
40 ~ 50 |
9 |
0.57 |
||||
|
MLEZ90 |
90 × 90 |
9 |
0.71 |
|||||
|
MLEZ125 |
125 × 125 |
45 ~ 55 |
0.1 |
15 |
1.34 |