【特点】
·防尘结构设计,有效保持设备清洁
·全行程运动设计,确保运行稳定无倾斜
·润滑周期可根据使用环境灵活调整,保障设备持久精度
注:MRU系列材质:铝合金(黑色阳极氧化)
MRSU系列材质:SUS440C
【产品型号及参数】
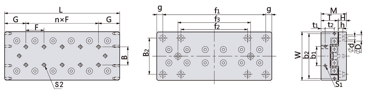
| 规格名称 |
台面尺寸 (mm) |
厚度 (mm) |
行程 (mm) |
移动方向 | 驱动方式 | n×F | 主要材质 | 台面安装孔规格 | 承载力(KN) | 平行度(mm) | 移动平行度(mm) | 重量(kg) |
| MRU-1025/MRSU-1025 | 25×30 | 17 | ±6 | X轴 | DV导轨 | - |
MRU:铝合金(黑色阳极氧化) MRSU:SUS440C |
M2 | 0.28 | ≤0.008 | ≤0.005 | 0.035 |
| MRU-1035/MRSU-1035 | 35×30 | ±9 | 1×10 | 0.38 | 0.01 | ≤0.005/13 | 0.045 | |||||
| MRU-1045/MRSU-1045 | 45×30 | ±12.5 | 2×10 | 0.56 | 0.01 | ≤0.005/13 | 0.06 | |||||
| MRU-1055/MRSU-1055 | 55×30 | ±16 | 3×10 | 0.65 | 0.01 | ≤0.005/13 | 0.07 | |||||
| MRU-1065/MRSU-1065 | 65×30 | ±20 | 4×10 | 0.73 | ≤0.009 | ≤0.005 | 0.1 | |||||
| MRU-1075/MRSU-1075 | 75×30 | ±22.5 | 5×10 | 0.87 | 0.01 | ≤0.005/13 | 0.11 | |||||
| MRU-1085/MRSU-1085 | 85×30 | ±25 | 6×10 | 0.94 | 0.01 | ≤0.005/13 | 0.15 | |||||
| MRU-2035/MRSU-2035 | 35×40 | 21 | ±9 | X轴 | DV导轨 | - |
MRU:铝合金(黑色阳极 氧化) MRSU:SUS440C |
M3/M2 | 0.51 | 0.01 | ≤0.005 | 0.1 |
| MRU-2050/MRSU-2050 | 50×40 | ±15 | 1×15 | 0.69 | 0.03 | ≤0.005 | 0.12 | |||||
| MRU-2065/MRSU-2065 | 65×40 | ±20 | 2×15 | 0.85 | 0.03 | ≤0.005 | 0.15 | |||||
| MRU-2080/MRSU-2080 | 80×40 | ±25 | 3×15 | 1.18 | 0.03 | ≤0.005 | 0.18 | |||||
| MRU-2095/MRSU-2095 | 95×40 | ±30 | 4×15 | 1.27 | 0.03 | ≤0.005 | 0.22 | |||||
| MRU-20110/MRSU-20110 | 110×40 | ±35 | 5×15 | 1.57 | 0.03 | ≤0.005 | 0.28 | |||||
| MRU-20125/MRSU-20125 | 125×40 | ±40 | 6×15 | 1.57 | 0.03 | ≤0.005 | 0.28 | |||||
| MRU-3055/MRSU-3055 | 55×60 | 28 | ±15 | X轴 | DV导轨 | - |
MRU:铝合金(黑色阳极 氧化) MRSU:SUS440C |
M4/M3 | 1.47 | ≤0.008 | ≤0.005 | 0.25 |
| MRU-3080/MRSU-3080 | 80×60 | ±22.5 | 1×25 | 2.06 | ≤0.008 | ≤0.005 | 0.315 | |||||
| MRU-30105/MRSU-30105 | 105×60 | ±30 | 2×25 | 2.35 | 0.03 | ≤0.007 | 0.43 | |||||
| MRU-30130/MRSU-30130 | 130×60 | ±37.5 | 3×25 | 2.94 | 0.03 | ≤0.007 | 0.47 | |||||
| MRU-30155/MRSU-30155 | 155×60 | ±45 | 4×25 | 3.53 | 0.03 | ≤0.007 | 0.47 | |||||
| MRU-30180/MRSU-30180 | 180×60 | ±52.5 | 5×25 | 4.02 | 0.03 | ≤0.007 | 0.73 | |||||
| MRU-30205/MRSU-30205 | 205×60 | ±65 | 6×25 | |||||||||
| MRU-4085/MRSU-4085 | 85×80 | 35 | ±25 | X轴 | DV导轨 | - |
MRU:铝合金(黑色阳极 氧化) MRSU:SUS440C |
M5/M3 | ||||
| MRU-40125/MRSU-40125 | 125×80 | ±37.5 | 1×40 | |||||||||
| MRU-40165/MRSU-40165 | 165×80 | ±52.5 | 2×40 | |||||||||
| MRU-40205/MRSU-40205 | 205×80 | ±67.5 | 3×40 | |||||||||
| MRU-40245/MRSU-40245 | 245×80 | ±77.5 | 4×40 | |||||||||
| MRU-60110/MRSU-60110 | 110×100 | 45 | ±30 | X轴 | DV导轨 | - |
MRU:铝合金(黑色阳极 氧化) MRSU:SUS440C |
M6/M4 | ||||
| MRU-60160/MRSU-60160 | 160×100 | ±47.5 | 1×50 | |||||||||
| MRU-60210/MRSU-60210 | 210×100 | ±65 | 2×50 | |||||||||
| MRU-60260/MRSU-60260 | 260×100 | ±82.5 | 3×50 | |||||||||
| MRU-60310/MRSU-60310 | 310×100 | ±100 | 4×50 | |||||||||