武汉厘米自动化设备有限公司
光电耦合封装系统
分析测试探针系统
精密运动控制平台
光应用器件组件
精密减振系统

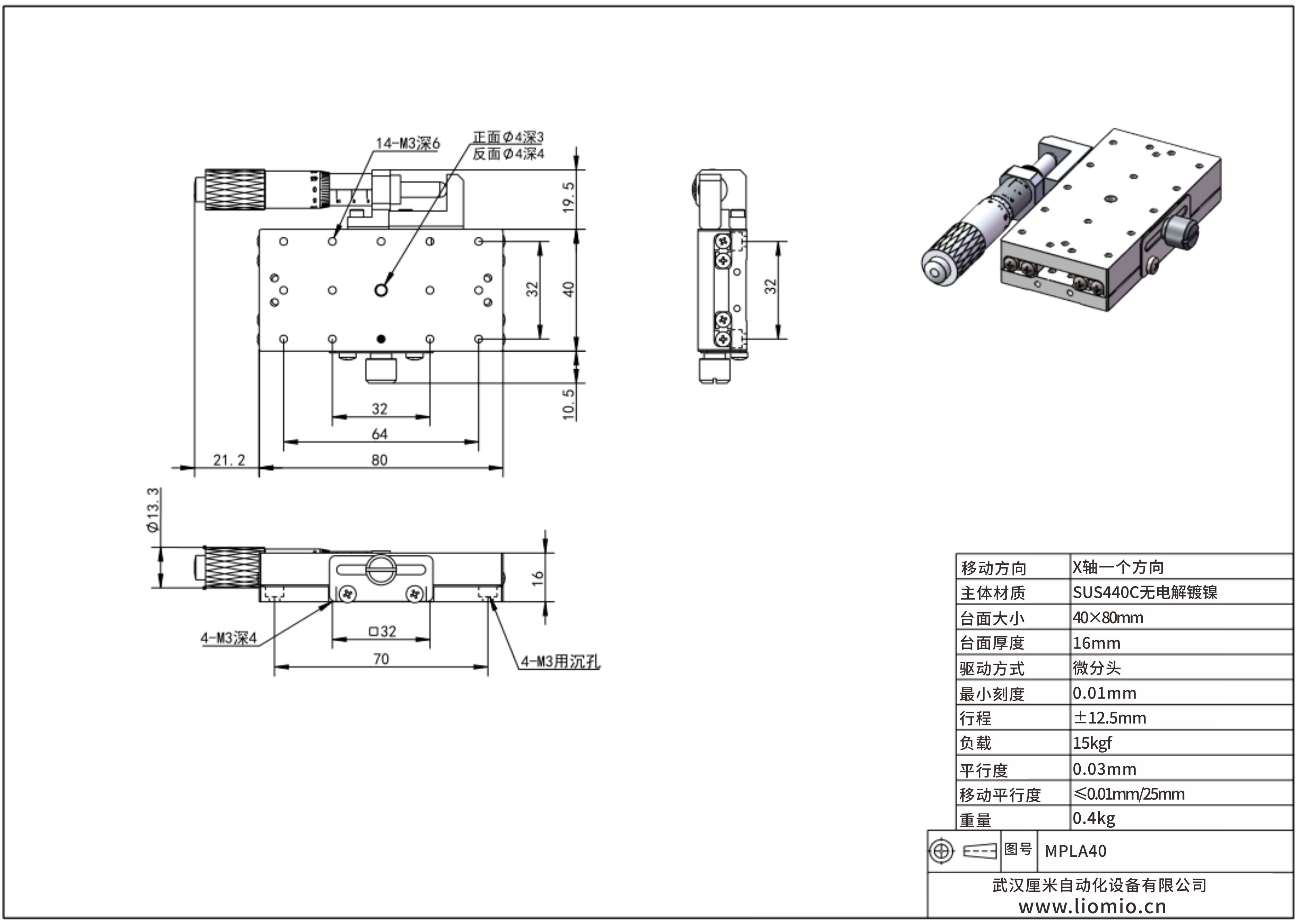
MPLA薄型·加长型交叉滚子导轨位移台

  • 产品介绍
  • 图纸
型号 材质 台面大小 (mm) 负载 (kgf) 行程 (mm) 容许力矩负载 (N・m) 力矩刚性 (N/cm) 重量 (kg)
上下摆动 左右摆动 侧向摆动 上下摆动 左右摆动 侧向摆动
MPLA40 铝合金
黑色阳极
40×80 3 ±12.5 3.8 3.2 1.5 0.19 0.19 1.38 0.35
MPLA60 60×120 6 ±25 8.1 7 5.3 0.02 0.03 0.07 0.5